Как правильно
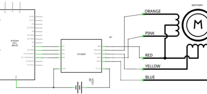
Шаговый двигатель схема подключения
   Шаговые двигатели присутствуют в автомобилях, принтерах, компьютерах, стиральных машинах, электробритвах и многих других устройствах из повседневного быта.
Чертежи лазерного станка чпу
Размеры рамы и расположение осей CNC 2418<img src="https://lesaegais.
Чертеж прицепа для мотоблока нева
За последние годы мотоблоки прочно вошли в обиход сельских жителей и небольших фермерских хозяйств.
Чем чугун лучше стали
Отливка обеспечивает высокий уровень детализации, что не требует дополнительного изготовления или сборки.
Хороший флюс для пайки bga
Совместная высокая интенсивность; Хорошее погружение; Объем: 10 мл / 10 куб.
Предыдущая страницаСледующая страница Предыдущая страницаСледующая страницаПредыдущая страницаСледующая страница
Для любых предложений по сайту: iz-brusa-tomsk@cp9.ru