Прочее
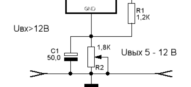
Стабилизатор напряжения 7812: схема включения
На смену популярной отечественной линейке КРЕНхх пришёл импортный стабилизатор на микрохеме L7812 (или просто 7812).
Сильно искрят щетки двигателя электроинструмента причина
Коллекторные электродвигатели отличаются от двигателей других типов наличием коллекторно-щеточного узла.
Самый лучший клей для пластика
Самое главное при ремонте изделий из пластика – правильный подбор клея, который будет соответствовать конкретному материалу и условиям эксплуатации.
Самые прочные сплавы металлов
Можете ли вы представить, что произошло, если бы наши предки не обнаружили важные металлы, такие как серебро, золото, медь и...
Самодельные железные колеса на мотоблок
Мотоблок – техника, которая знакома большинству фермеров.
Предыдущая страницаСледующая страница Предыдущая страницаСледующая страницаПредыдущая страницаСледующая страница
Для любых предложений по сайту: iz-brusa-tomsk@cp9.ru