Прочее
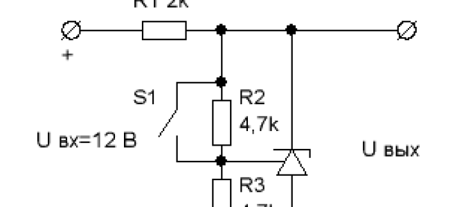
Блок питания на регулируемом стабилитроне тл 431
Несложная схема для регулирования, а также стабилизации напряжения представлена на картинке выше, её сможет собрать даже новичок в электронике.
Как определить марку стали по химическому составу
Существует просто огромное количество различных вариантов исполнения стали, каждая марка характеризуется своими определенными особенностями.
Как определить зернистость точильного камня
Заточных камней много, выбрать сложно, а также много нюансов, особенностей.
Uln2803a описание на русском
Микросхема ULN2003 (ULN2003a) по сути своей является набором мощных составных ключей для применения в цепях индуктивных нагрузок.
Pure silver как варить
Гороховое каша или пюре – блюдо, приготовленное из разваренного гороха.
Предыдущая страницаСледующая страница Предыдущая страницаСледующая страницаПредыдущая страницаСледующая страница
Для любых предложений по сайту: iz-brusa-tomsk@cp9.ru