Резьба
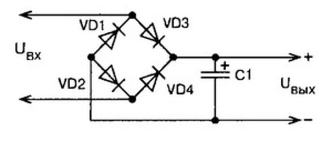
Выпрямление напряжения диодным мостом
Наряду с линейными устройствами в электрической цепи можно встретить и нелинейные полупроводниковые элементы, имеющие самый разнообразный функционал в составе электронной...
Высокотемпературная холодная сварка для чугуна
Холодная сварка высокотемпературная является одной из самых качественны разновидностей, которая может использоваться даже в промышленности.
Вид горячей обработки металла
Существует большое количество технических вариантов обрабатывания металлических изделий: как ручных, так и автоматизированных (при эксплуатации специального оборудования).
В каком положении должен стоять циркуляционный насос
Сама установка циркуляционного насоса выполняется с целью повышения темпа перемещения жидкости.
Бензопила партнер 350 заводится и глохнет
Одной из самых популярных в России бытовых бензопил является 350-я модель пилы фирмы Партнер.
Предыдущая страницаСледующая страница Предыдущая страницаСледующая страницаПредыдущая страницаСледующая страница
Для любых предложений по сайту: iz-brusa-tomsk@cp9.ru